Lauflicht
|
|
|
Aufgabenstellung
Schülerinnen und Schüler entwickeln eine eigene Schaltung für ein Lauflicht und bauen dieses auf einer Lochrasterplatine auf.
Bewertung
- Praktischer Aufbau
- Dokumentation über den Arbeitsprozess und die Funktion der Schaltung
- Präsentation ihres Lauflichtes vor der Klasse
- Abschließendes cirka 10-minütiges Fachgespräch
Mögliche Einbindung allgemein bildender Fächer
- Flyer / Plakat als Werbung (Deutsch)
- Kostenkalkulation / Geschäftsbedingungen / Rückgaberecht (Wirtschaftskunde)
- Homepage erstellen (Lernfeld 4), ggf. mit zusätzlich englischer Funktionsbeschreibung
Rahmenbedingungen
Elektroniker
(1. Lehrjahr, Grundstufe, 2. Halbjahr, Lernfeld 3, Inhalte aus Lernfeld 6 vorgezogen)
6 Termine mit je zwei Theorie- und zwei Laborstunden
Vorkenntnisse:
- Grundgatter der Digitaltechnik
- Zuordnungstabelle, Funktionstabelle, Schaltalgebra, Funktionsplan, Schaltungsanalyse, Schaltungssynthese
- Grundlagen der Elektrotechnik (Strom, Spannung, Ohmsches Gesetz, LEDs)
Im Labor werden benötigt:
- Internetzugang
- Simulationsprogramm für elektronische Schaltungen (MultiSim)
- Material zum Aufbau und Testen von Teilen der Schaltung (Steckbretter, Bauteile, Messgeräte, Oszilloskope, Funktionsgeneratoren)
- Lötstationen, Zubehör
- Textverarbeitungsprogramm
Ablauf
1. Doppelstunde Labor
Schülerinnen und Schüler teilen sich selbst in Gruppen ein (Bedingung: maximal 4 Gruppenmitglieder).
Danach erhalten sie die Aufgabenstellung:
Ein Lauflicht mit mindestens 4 Kanälen muss in der Schule aufgebaut werden.
Über eine Internet-Recherche sammeln die Gruppen verschiedene Ideen zur Funktion
(Anzahl der Kanäle, LEDs / Halogenlampen, variable Geschwindigkeit, An- / Aus-Schalter,
unterschiedliche Lauf-Richtung und Anordnung der Anzeige-Elemente).
Nachdem sie einige Varianten kennen, legen die Teams die Funktionen ihres eigenen Lauflichtes fest – also noch nicht die konkrete Schaltung.
1. Doppelstunde Theorie
Exemplarisch werden ausgewählte Schaltungen von vier verschiedenen Lauflichtern besprochen.
Einteilung „EVA“ : Eingabe durch Takterzeugung, Verarbeitung (z. B. mit den ICs 4001, 4510, 4028), Ausgabe (LEDs mit Transistoren)
Details aus der Schaltung werden vertieft.
Das Bild zeigt zur Illustration den Schaltplan des Bausatzes Lichteffektgerät der Firma Conrad Electronic GmbH.
|
|
Tipp: Bedienungsanleitungen mit Schaltplänen und Schaltungsbeschreibungen zum Download finden Sie z. B. unter http://www.conrad.com/index_de.htm im Register Bauelemente, Bausätze. |
2. bis 4. Doppelstunde Labor
Der Schaltplan des eigenen Lauflichtes wird erarbeitet. Dabei werden – bei individuellem Vorgehen der Gruppen – entweder Teile der Schaltung am Steckbrett aufgebaut oder am Rechner simuliert.
|
|
|
|
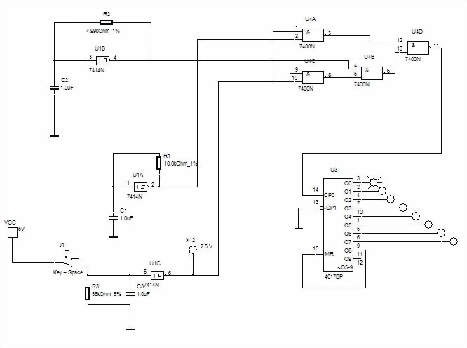
Von Schülerinnen und Schülern in Multisim entwickelte
Schaltung (2 Taktzeiten)
|
Ein Test-Aufbau
|
2. bis 4. Doppelstunde Theorie
Theoretische Grundlagen zu verschiedenen Taktgebern, Zählern, Dekodern, Treibern.
Abgabe einer kompletten Bestellliste.
5. bis 6. Doppelstunde Labor
Das Lauflicht wird aufgebaut und getestet. Anschließend wird die Präsentation vorbereitet.
5. Doppelstunde Theorie
Dokumentation und Präsentation werden erstellt.
6. Doppelstunde Theorie - Präsentation und Fachgespräch
Die Schülerinnen und Schüler geben ihre Dokumentation ab und präsentieren Ihre
Ergebnisse, z. B. in Form einer kleinen PowerPoint-Präsentation.
Hier können Sie modellhaft ein Gruppenergebnis einsehen, welches ausschließlich
im Unterricht erarbeitet wurde:
PowerPoint-Präsentation zum Thema Lauflicht [1,2 MB]
|
|
Anhaltspunkte für das abschließende cirka 10-minütige Fachgespräch erhalten Sie hier: Das Fachgespräch |
Nachbetrachtung
Varianten der Projektgestaltung