Zur Hauptnavigation springen [Alt]+[0] Zum Seiteninhalt springen [Alt]+[1]

Aufgabenblätter zur Digitaltechnik

4. Minimierung von Schaltfunktionen mit der KV-Tafel

4.1 Gegeben ist die unten stehende Wahrheitstabelle.

  • Bestimme die disjunktive Normalform (DNF) der Schaltfunktion.

  • Vereinfache die Schaltfunktion mit Hilfe eines KV-Diagramms.

  • Verwirkliche die Logik nur mit NAND-Gattern (mit jeweils zwei Eingängen).

  • Verwirkliche die Logik nur mit NOR-Gattern (mit jeweils zwei Eingängen).

Aufgabe 4.1

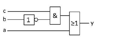
minimiert, aus KV: y =

4.2 Gegeben ist die unten stehende Wahrheitstabelle.

a) Bestimme die disjunktive Normalform (DNF) der Schaltfunktion.

Aufgabe 4.2a

b) Vereinfache die Schaltfunktion mit Hilfe eines KV-Diagramms.

Aufgabe 4.2b

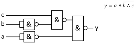
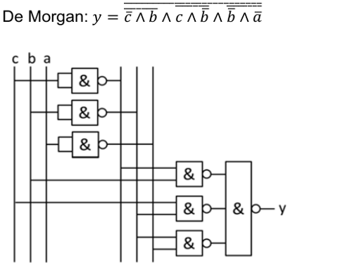
c) Verwirkliche die Logik nur mit NAND-Gattern (zwei oder drei Eingänge).

Aufgabe 4.2c

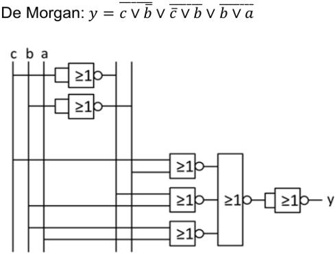
d) Verwirkliche die Logik nur mit NOR-Gattern (zwei oder drei Eingänge).

Aufgabe 4.2d

4.3 Der Ausgang y einer digitalen Schaltung soll genau dann den Zustand 1 annehmen, wenn mindestens zwei ihrer drei Eingänge a, b und c im Zustand 0 sind. Stelle die zugehörige Wahrheitstabelle auf, vereinfache die Schaltfunktion und zeichne die Schaltung.

Aufgabe 4.3

4.4 Eine Anlage muß verschiedene Stanzteile aus Blech (T1 bis T8) unterscheiden, um sie anschließend richtig behandeln zu können. Die Teile werden dabei von einem Förderband unter eine Gruppe von Sensoren transportiert. Die Sensoren (a, b, c, d) liefern an ihrem Ausgang den logischen Zustand “0“, wenn darunter Blech festgestellt wird. Die Teile T2, T4, T6 und T8 müssen lackiert werden. Es ist eine digitale Schaltung zu entwerfen, deren Ausgang die Lackiereinrichtung einschaltet (y = 1: Lackieren).

a) Stelle die vollständige Wahrheitstabelle auf.

b) Vereinfache die Schaltfunktion mit Hilfe einer KV-Tafel und gib die vereinfachte Funktion an.

c) Entwerfe eine geeignete Schaltung mit digitalen Gattern.

Aufgabe 4.4

4.5 Vereinfache folgende Schaltfunktion so weit wie möglich. Verwende dabei eine KV-Tafel.

4.6 Das Morsezeichen für den Buchstaben L (kurz-lang-kurz-kurz) soll mit einer elektronischen Steuerung erzeugt werden, die folgendermaßen funktioniert: Ein elektronischer Zähler mit den Ausgängen d, c, b, a zählt im Dualsystem von 0 bis 10. Wenn der Ausgang y einer digitalen Gatterschaltung im Zustand 1 ist, wird ein Tongenerator eingeschaltet. Den Zusammenhang zwischen Zählerstand und Ausgang y zeigt das unten stehende Bild.

Aufgabe 4.6 Aufgabe 4.6

a) Stelle die vollständige Wahrheitstabelle (Eingänge d, c, b, a und Ausgang y) auf.

Aufgabe 4.6a

b) Vereinfache die Schaltfunktion mit Hilfe einer KV-Tafel und gib die vereinfachte Funktion an.

Aufgabe 4.6b

c) Entwerfe eine geeignete Schaltung mit digitalen Gattern.

Aufgabe 4.6c

d) Verwirkliche die Schaltung nur mit NAND-Gattern.

Aufgabe 4.6d Aufgabe 4.6

4.7 Eine Gatterschaltung soll zwei zweistellige Dualzahlen (erste Zahl Z1: d c; zweite Zahl Z2: b a) miteinander vergleichen. Wenn Z1 > Z2, soll der Ausgang y der Schaltung im Zustand 1 sein.

Stelle die Wahrheitstabelle auf und vereinfache die Schaltfunktion.

Aufgabe 4.7

 

loesung_uebungen_digitaltechnik_6tg9 : Herunterladen [docx][1.541KB]
loesung_uebungen_digitaltechnik_6tg9 : Herunterladen [pdf][583KB]

 

Weiter zu

Gatterlogik und Kontaktlogik