Lösung
Die Wahrheitstabelle ist gegeben.
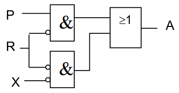
Mit Hilfe eines KV-Diagramms soll eine Schaltung, die diese Wahrheitstabelle erfüllt, bestimmt und skizziert werden.
| X | R | U | P | A |
| 0 | 0 | 0 | 0 | 1 |
| 0 | 0 | 0 | 1 | 1 |
| 0 | 0 | 1 | 0 | 1 |
| 0 | 0 | 1 | 1 | 1 |
| 0 | 1 | 0 | 0 | 0 |
| 0 | 1 | 0 | 1 | 0 |
| 0 | 1 | 1 | 0 | 0 |
| 0 | 1 | 1 | 1 | 0 |
| 1 | 0 | 0 | 0 | 0 |
| 1 | 0 | 0 | 1 | 1 |
| 1 | 0 | 1 | 0 | 0 |
| 1 | 0 | 1 | 1 | 1 |
| 1 | 1 | 0 | 0 | 0 |
| 1 | 1 | 0 | 1 | 0 |
| 1 | 1 | 1 | 0 | 0 |
| 1 | 1 | 1 | 1 | 0 |
|
A |
P |
|
|||
|
U |
1 |
0 |
0 |
1 |
|
|
1 |
0 |
0 |
0 |
X |
|
|
|
1 |
0 |
0 |
0 |
|
|
1 |
0 |
0 |
1 |
|
|
|
|
R |
|
|||
uebung_kv_diagramm_loesung :
Herunterladen
[doc][56KB]
uebung_kv_diagramm_loesung :
Herunterladen
[pdf][42 KB]
Weiter zu