Zur Hauptnavigation springen [Alt]+[0] Zum Seiteninhalt springen [Alt]+[1]

Gatterlogik und Kontaktlogik

Gatterlogik und Kontaktlogik

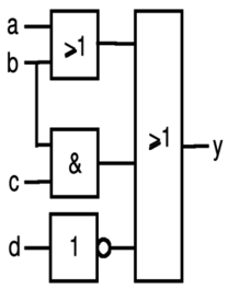
1 Verwirkliche die dargestellte Kontaktlogik mit digitalen Gattern (Eingänge d, c, b, a / Ausgang y)

2 Verwirkliche die dargestellte Kontaktlogik mit digitalen Gattern.

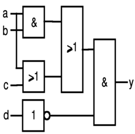
3 Welcher Eingang und welches Gatter dürfen bei der untenstehenden Schaltung fortgelassen werden, da der Zustand des betreffenden Eingangs keinen Einfluß auf den Zustand des Ausgangs y hat (markieren)? Stelle die vereinfachte Schaltung in Kontaktlogik dar.

4 Welcher Eingang und welches Gatter dürfen bei der untenstehenden Schaltung fortgelassen werden, da der Zustand des betreffenden Eingangs keinen Einfluss auf den Zustand des Ausgangs y hat (markieren)? Stelle die vereinfachte Schaltung in Kontaktlogik dar.

 

aufgabensammlung_digitaltechnik_6tg9: Herunterladen [docx][523KB]
aufgabensammlung_digitaltechnik_6tg9: Herunterladen [pdf][336KB]

 

Weiter zu

Lösung Gatterlogik und Kontaktlogik