Aufgabenblätter zur Digitaltechnik
Aufgabensammlung zu Grundlagen Digitaltechnik für 6TG9, 6TG10
1. Allgemeines, Begriffe
1.1 Du setzt Dich an Deinen PC und schreibst Deinem Freund oder Deiner Freundin eine E-Mail. Nenne für diesen Fall ein Beispiel für die Nachricht, die Information und das Zeichen.
Nachricht: gibt Informationen weiter: Email
Information: Kenntnisse über Sachverhalte und Vorgänge: Treffen um 14:00 Uhr
Zeichen: zur Informationsdarstellung verwendete Elemente: Buchstabe 'T'
1.2 Nenne einen Vorteil einer digitalen
Messwertanzeige und einen Vorteil einer analogen
Messwertanzeige.
Vorteil der analogen Anzeige: Änderungen der Messgröße und Geschwindigkeit der Änderung gut erkennbar, bei bekannter Skalenteilung ist der ungefähre Wert rascher und auf einen Blick zu erfassen
Vorteil der digitalen Anzeige: ggf. höhere Auflösung, genauer Messwert ist leichter abzulesen
Wieviele Bit umfaßt ein Byte? 8
2. Logische Verknüpfungen und Gatter
2.1 a) Zu welchen Logikgattern gehören die folgenden Zeitablaufdiagramme?
b) Vervollständige das Zeitablaufdiagramm.
2.2 a) Zu welchen Logikgattern gehören die folgenden
Zeitablaufdiagramme?
b) Vervollständige das Zeitablaufdiagramm.
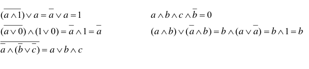
3. Boolesche Algebra
3.1 Vereinfache folgende Schaltfunktionen (keine KV-Tafel).
3.2 Vereinfache folgende Schaltfunktionen (keine
KV-Tafel).
4. Minimierung von Schaltfunktionen mit der KV-Tafel
4.1 Gegeben ist die unten stehende Wahrheitstabelle.
-
Bestimme die disjunktive Normalform (DNF) der Schaltfunktion.
-
Vereinfache die Schaltfunktion mit Hilfe eines KV-Diagramms.
-
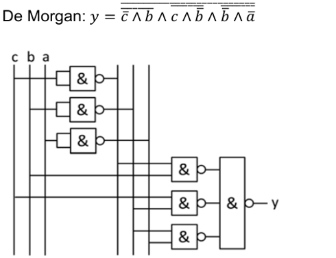
Verwirkliche die Logik nur mit NAND-Gattern (mit jeweils zwei Eingängen).
-
Verwirkliche die Logik nur mit NOR-Gattern (mit jeweils zwei Eingängen).
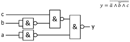
minimiert, aus KV: y =
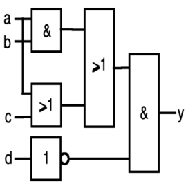
4.2 Gegeben ist die unten stehende Wahrheitstabelle.
a) Bestimme die disjunktive Normalform (DNF) der Schaltfunktion.
b) Vereinfache die Schaltfunktion mit Hilfe eines KV-Diagramms.
c) Verwirkliche die Logik nur mit NAND-Gattern (zwei oder drei Eingänge).
d) Verwirkliche die Logik nur mit NOR-Gattern (zwei oder drei Eingänge).
4.3 Der Ausgang y einer digitalen Schaltung soll genau dann
den Zustand 1 annehmen, wenn mindestens zwei ihrer drei Eingänge
a, b und c im Zustand 0 sind. Stelle die zugehörige
Wahrheitstabelle auf, vereinfache die Schaltfunktion und zeichne
die Schaltung.
4.4 Eine Anlage muß verschiedene Stanzteile aus Blech (T1 bis
T8) unterscheiden, um sie anschließend richtig behandeln zu
können. Die Teile werden dabei von einem Förderband unter eine
Gruppe von Sensoren transportiert. Die Sensoren (a, b, c, d)
liefern an ihrem Ausgang den logischen Zustand “0“,
wenn darunter Blech festgestellt wird. Die Teile T2, T4, T6 und
T8 müssen lackiert werden. Es ist eine digitale Schaltung zu
entwerfen, deren Ausgang die Lackiereinrichtung einschaltet (y = 1: Lackieren).
a) Stelle die vollständige Wahrheitstabelle auf.
b) Vereinfache die Schaltfunktion mit Hilfe einer KV-Tafel und gib die vereinfachte Funktion an.
c) Entwerfe eine geeignete Schaltung mit digitalen Gattern.
4.5 Vereinfache folgende Schaltfunktion so weit wie möglich.
Verwende dabei eine KV-Tafel.
4.6 Das Morsezeichen für den Buchstaben L
(kurz-lang-kurz-kurz) soll mit einer elektronischen Steuerung
erzeugt werden, die folgendermaßen funktioniert: Ein
elektronischer Zähler mit den Ausgängen d, c, b, a zählt im
Dualsystem von 0 bis 10. Wenn der Ausgang y einer digitalen
Gatterschaltung im Zustand 1 ist, wird ein Tongenerator
eingeschaltet. Den Zusammenhang zwischen Zählerstand und Ausgang
y zeigt das unten stehende Bild.
a) Stelle die vollständige Wahrheitstabelle (Eingänge d, c, b, a und Ausgang y) auf.
b) Vereinfache die Schaltfunktion mit Hilfe einer KV-Tafel und gib die vereinfachte Funktion an.
c) Entwerfe eine geeignete Schaltung mit digitalen Gattern.
d) Verwirkliche die Schaltung nur mit NAND-Gattern.
4.7 Eine Gatterschaltung soll zwei zweistellige Dualzahlen
(erste Zahl Z1: d c; zweite Zahl Z2: b a) miteinander
vergleichen. Wenn Z1 > Z2, soll der Ausgang y der Schaltung im
Zustand 1 sein.
Stelle die Wahrheitstabelle auf und vereinfache die Schaltfunktion.
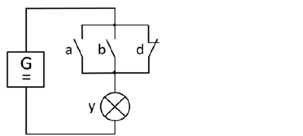
5. Gatterlogik und Kontaktlogik
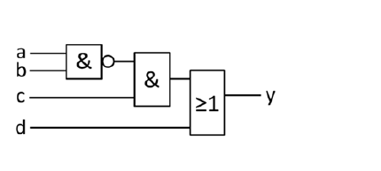
5.1 Verwirkliche die dargestellte Kontaktlogik mit digitalen Gattern (Eingänge d, c, b, a / Aus-
gang y)
5.2 Verwirkliche die dargestellte Kontaktlogik mit digitalen
Gattern.
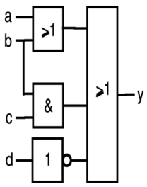
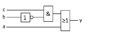
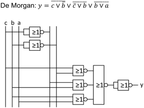
5.3 Welcher Eingang und welches Gatter dürfen bei der untenstehenden Schaltung fortgelassen werden, da der Zustand des betreffenden Eingangs keinen Einfluß auf den Zustand des Ausgangs y hat (markieren)? Stelle die vereinfachte Schaltung in Kontaktlogik dar.
UND-Gatter / Eingang c können entfallen.
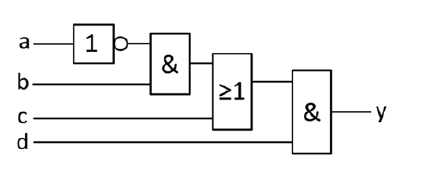
5.4 Welcher Eingang und welches Gatter dürfen bei der
untenstehenden Schaltung fortgelassen werden, da der Zustand des
betreffenden Eingangs keinen Einfluss auf den Zustand des
Ausgangs y hat (markieren)? Stelle die vereinfachte Schaltung in
Kontaktlogik dar.
UND-Gatter / Eingang b können entfallen.
6. Binärsystem
6.1 Addiere folgende Dualzahlen im Dualsystem (das Ergebnis muß ebenfalls eine Dualzahl sein).
a) 101110 + 11011
b) 1101 + 11 + 1011
6.2 Subtrahiere folgende Dualzahlen im Dualsystem (Ergebnis
muß ebenfalls eine Dualzahl sein).
101110 - 11011
6.3 a) Wandle die Dualzahl 111010 in eine Dezimalzahl um.
111010 2 = 32 + 16 + 8 + 2 = 58
b) Wandle die Dezimalzahl 110 in eine Dualzahl um.
110 10 = 1101110 2
c) In Teilaufgabe b) könnte die Dezimalzahl 110 auch eine Dualzahl sein. Wie werden die Zahlen so gekennzeichnet, daß die Zugehörigkeit zum jeweiligen System erkennbar ist?
Die Basis des Zahlensystems wird tiefgestellt angegeben.
6.4 a) Wie hoch ist der Elementarvorrat EV (Anzahl
darstellbarer Zahlen) im Fall siebenstelliger Dualzahlen?
2 7 = 128
b) Nenne einen wesentlichen Vorteil des Rechnens im Dualsystem.
Darstellung durch ein- oder ausgeschaltete (1/0) elektrische Stromkreise möglich, Rechenoperationen durch logische Verknüpfungen.
6.5 Welcher logischen Grundverknüpfung entspricht die
Multiplikation zweier einstelliger Dualzahlen?
UND-Verknüpfung
6.6 Eine einstellige Dualzahl a wird von der einstelligen
Dualzahl b subtrahiert. Als Ergebnis erhalten wir die Differenz D
und den Leihübertrag Ü.
Hinweis: Denke an die schriftliche Subtraktion im Dualsystem.
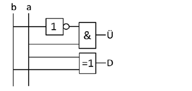
a) Stelle die vollständige Wahrheitstabelle für D und Ü auf.
b) Zeichne eine Schaltung mit digitalen Gattern (Eingänge a, b; Ausgänge D, Ü).
6.7 a) Eine einstellige Dualzahl a wird mit einer einstelligen
Dualzahl b multipliziert. Stelle die Wahrheitstabelle für das
Ergebnis P (Produkt) auf und zeichne eine entsprechende Schaltung
mit digitalen Gattern (Eingänge a, b; Ausgang P).
b) Eine einstellige Dualzahl a wird durch eine einstellige Dualzahl b dividiert. Stelle die Wahrheitstabelle für das Ergebnis Q (Quotient) und ein Fehlersignal E (“Error“ bei Division durch 0) auf. Zeichne eine entsprechende Schaltung mit digitalen Gattern (Eingänge a, b; Ausgänge Q, E).
6.8 Von einer ersten zweistelligen Dualzahl
b
1
a
1
wird
eine zweite zweistellige Dualzahl
b
2
a
2
subtrahiert. Das Ergebnis ist die zweistellige Dualzahl
BA.
Stelle die vollständige Wahrheitstabelle zum Entwurf einer geeigneten Rechenschaltung auf, wobei Rechnungen mit negativem Ergebnis nicht vorkommen können.
Bestimme die minimierte Schaltfunktion für die Stelle A.
7. RS-Flipflop
7.1 Digitale Steuerung einer Kaltsäge
Gegeben ist eine Kaltsäge entsprechend dem unten gezeigten Technologieschema.
Es sind folgende Funktionen gefordert:
1. Einschalten mit Taster S1 (Schließer), Ausschalten mit Taster S2 (Öffner)
2. Überlastschutz des Motors (Ausschalten, wenn Öffner eines Motorschutzrelais F1 betätigt ist)
3. Not-Aus-Funktion (Ausschalten, wenn Öffner der Not-Aus-Taste S0 betätigt ist)
4. Sicherheitsabschaltung / Einschaltverriegelung bei geöffneter Schutzabdeckung: Ausschalten, wenn Schließer B1 nicht betätigt ist
5. Automatisches Ausschalten, wenn das Sägeblatt das Werkstück vollständig durchtrennt hat, d. h. Öffner B2 betätigt ist
Zeichne eine digitale Schaltung zur Steuerung der Säge unter Verwendung eines rücksetzdominanten RS-Flipflop.
Eingänge: S0, S1, S2, B1, B2, F1 Ausgang: Q1 (schaltet Motor M1 ein)
7.2 Digitale Steuerung einer Parkplatzschranke
Die Steuerung einer Schranke, welche die Zugangskontrolle am Mitarbeiterparkplatz einer Firma ermöglicht, ist mit Hilfe von Bausteinen der Digitaltechnik zu realisieren.
Dabei sind zunächst folgende Funktionen bzw. Eigenschaften gefordert:
1. Schutz vor gefährlichem, selbsttätigen Wiederanlauf bei Netzwiederkehr
2. Überlastschutz des Motors
3. Not-Aus-Funktion
4. Steuerung über Taster AUF, ZU und STOP.
5. Abschalten des Antriebs bei Erreichen der Endlage (Schranke senkrecht bzw. Schranke waagerecht)
6. Abschalten des Antriebs bzw. Einschaltverhinderung für das Schließen der Schranke, wenn bzw. solange sich ein Fahrzeug im Schrankenbereich befindet
Zeichne eine geeignete digitale Gatterschaltung und ordne den Ein- und Ausgängen in Deiner Zeichnung die Betriebsmittel (Aktoren, Sensoren) des Technologieschemas (z. B. Q2, B1 ...) zu.

loesung_uebungen_digitaltechnik_6tg9 :
Herunterladen
[docx][1.541KB]
loesung_uebungen_digitaltechnik_6tg9 :
Herunterladen
[pdf][583KB]
Weiter zu