Zur Hauptnavigation springen [Alt]+[0] Zum Seiteninhalt springen [Alt]+[1]

Binärsystem

1 Addiere folgende Dualzahlen im Dualsystem (das Ergebnis muß ebenfalls eine Dualzahl sein).

a) 101110 + 11011

Aufgabe 6.1a

b) 1101 + 11 + 1011

Aufgabe 6.1b

2 Subtrahiere folgende Dualzahlen im Dualsystem (Ergebnis muß ebenfalls eine Dualzahl sein).

101110 - 11011

Aufgabe 6.2

3 a) Wandle die Dualzahl 111010 in eine Dezimalzahl um.

111010 2 = 32 + 16 + 8 + 2 = 58

b) Wandle die Dezimalzahl 110 in eine Dualzahl um.

110 10 = 1101110 2

c) In Teilaufgabe b) könnte die Dezimalzahl 110 auch eine Dualzahl sein. Wie werden die Zahlen so gekennzeichnet, daß die Zugehörigkeit zum jeweiligen System erkennbar ist?

Die Basis des Zahlensystems wird tiefgestellt angegeben.

4 a) Wie hoch ist der Elementarvorrat EV (Anzahl darstellbarer Zahlen) im Fall siebenstelliger Dualzahlen?

2 7 = 128

b) Nenne einen wesentlichen Vorteil des Rechnens im Dualsystem.

Darstellung durch ein- oder ausgeschaltete (1/0) elektrische Stromkreise möglich, Rechenoperationen durch logische Verknüpfungen.

5 Welcher logischen Grundverknüpfung entspricht die Multiplikation zweier einstelliger Dualzahlen?

UND-Verknüpfung

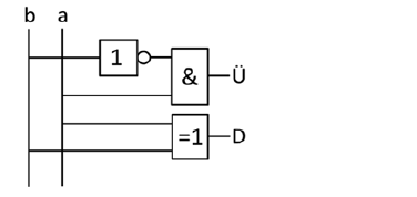
6 Eine einstellige Dualzahl a wird von der einstelligen Dualzahl b subtrahiert. Als Ergebnis erhalten wir die Differenz D und den Leihübertrag Ü.

Hinweis: Denke an die schriftliche Subtraktion im Dualsystem.

a) Stelle die vollständige Wahrheitstabelle für D und Ü auf.

Aufgabe 6.6a

b) Zeichne eine Schaltung mit digitalen Gattern (Eingänge a, b; Ausgänge D, Ü).

Aufgabe 6.6b

7 a) Eine einstellige Dualzahl a wird mit einer einstelligen Dualzahl b multipliziert. Stelle die Wahrheitstabelle für das Ergebnis P (Produkt) auf und zeichne eine entsprechende Schaltung mit digitalen Gattern (Eingänge a, b; Ausgang P).

Aufgabe 6.7a

b) Eine einstellige Dualzahl a wird durch eine einstellige Dualzahl b dividiert. Stelle die Wahrheitstabelle für das Ergebnis Q (Quotient) und ein Fehlersignal E (“Error“ bei Division durch 0) auf. Zeichne eine entsprechende Schaltung mit digitalen Gattern (Eingänge a, b; Ausgänge Q, E).

Aufgabe 6.7b

8 Von einer ersten zweistelligen Dualzahl b 1 a 1 wird eine zweite zweistellige Dualzahl b 2 a 2 subtrahiert. Das Ergebnis ist die zweistellige Dualzahl BA.

Stelle die vollständige Wahrheitstabelle zum Entwurf einer geeigneten Rechenschaltung auf, wobei Rechnungen mit negativem Ergebnis nicht vorkommen können.

Bestimme die minimierte Schaltfunktion für die Stelle A.

Aufgabe 6.8

 

loesung_uebungen_digitaltechnik_6tg9 : Herunterladen [docx][1.541KB]
loesung_uebungen_digitaltechnik_6tg9 : Herunterladen [pdf][583KB]

 

Weiter zu

RS-Flipflop