Zur Hauptnavigation springen [Alt]+[0] Zum Seiteninhalt springen [Alt]+[1]

Lösung

Die Antivalenz und die Äquivalenz sollen untersucht werden.

  1. Das Schaltzeichen (mit Benennung der Ein- und Ausgänge, wobei Ausgang→Z):

    Antivalenz Äquivalenz
    Schaltzeichen Antivalenz Schaltzeichen Äquivalenz
  2. Die Wahrheitstabelle:

    Antivalenz Äquivalenz
    Wahrheitstabelle Antivalenz Wahrheitstabelle Äquivalenz
  3. Die Gleichung für Z als DNF (disjunktive Normalform).

    Antivalenz Äquivalenz
    Z = A*!B + B*!A Z = !A*!B + A*B
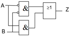
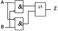
  4. Der Schaltungsaufbau laut DNF aus den Grundgliedern: AND, OR und NOT.

    Antivalenz Äquivalenz
    Aufbau nach DNF Antivalenz Aufbau nach DNF Äquivalenz

Die Schaltungen sollen am Digiboard aufgebaut und überprüft werden. Die vorhandenen Bausteine für die Antivalenz und die Äquivalenz sollen hierbei als Vergleichsschaltung fungieren.

uebung_antivalenz_loesung : Herunterladen [doc][45KB]
uebung_antivalenz_loesung : Herunterladen [pdf][61KB]

 

Weiter zu

Übung KV-Diagramm