Zur Hauptnavigation springen [Alt]+[0] Zum Seiteninhalt springen [Alt]+[1]

Schaltung von Widerständen<br />mit Yenka (Crocodile Physics)

Infobox

Diese Seite ist Teil einer Materialiensammlung zum Bildungsplan 2004: Grundlagen der Kompetenzorientierung. Bitte beachten Sie, dass der Bildungsplan fortgeschrieben wurde.

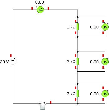
Reihenschaltung von Widerständen

Reihenschaltung von drei Widerständen 1 kΩ, 2 kΩ, und 7 kΩ an einer Quelle mit 20 V mit allen Messgeräten zur Stromstärke- und Spannungsmessung.

Reihenschaltung
  1. Erstelle die oben dargestellte Simulation!
  2. Stelle alle Dir bekannten Gesetzmäßigkeiten der Reihenschaltung dreier Widerstände zusammen und überprüfe die Gültigkeit dieser Gesetze an der Simulation! Welche Aussagen lassen sich über die Potenziale an einzelnen Stellen der Schaltung machen? (Beachte dazu die roten Balken!)
  3. Baue die Schaltung im Experiment nach und miss Stromstärke und Spannungen! Vergleiche mit den Ergebnissen der Simulation und Deiner Berechnungen. Benenne Gründe für Abweichungen!

Parallelschaltung von Widerständen

Parallelschaltung von drei Widerständen 1 kΩ, 2 kΩ, und 5 kΩ an einer Quelle von 20 V mit allen Messgeräten zur Stromstärke- und Spannungsmessung.

Parallelschaltung
  1. Erstelle die oben dargestellte Simulation!
  2. Stelle alle Dir bekannten Gesetzmäßigkeiten der Parallelschaltung dreier Widerstände zusammen und überprüfe die Gültigkeit dieser Gesetze an der Simulation! Welche Aussagen lassen sich über die Potenziale an einzelnen Stellen der Schaltung machen? (Beachte dazu die roten Balken!)
  3. Baue die Schaltung im Experiment nach und miss Stromstärke und Spannungen! Vergleiche mit den Ergebnissen der Simulation und Deiner Berechnungen. Benenne Gründe für Abweichungen!

 

Schaltung von Widerständen: Herunterladen [doc] [106 KB]