Zur Hauptnavigation springen [Alt]+[0] Zum Seiteninhalt springen [Alt]+[1]

Methodenordner

Infobox

Diese Seite ist Teil einer Materialiensammlung zum Bildungsplan 2004: Grundlagen der Kompetenzorientierung. Bitte beachten Sie, dass der Bildungsplan fortgeschrieben wurde.

Hinweis

Es wird darauf hingewiesen, dass für jedes Experiment entsprechend der eigenen Durchführung vor der erstmaligen Aufnahme der Tätigkeit eine Gefährdungsbeurteilung durchgeführt und dokumentiert werden muss. Jede fachkundige Nutzerin/jeder fachkundige Nutzer muss die aufgeführten Inhalte eigenverantwortlich prüfen und an die tatsächlichen Gegebenheiten anpassen.

Weder die Redaktion des Lehrerfortbildungsservers noch die Autorinnen und Autoren der veröffentlichten Experimente übernehmen jegliche Haftung für direkte oder indirekte Schäden, die durch exakten, veränderten oder fehlerhaften Nachbau und/oder Durchführung der Experimente entstehen. Weiterführende Informationen erhalten Sie unter www.gefahrstoffe-schule-bw.de

Bestimmen von U-I-Kennlinien

Eine U-I-Kennlinie gibt das charakteristische Verhalten eines elektrischen oder elektronischen Bauteils oder Gerätes in einem elektrischen Stromkreis wieder. Sie stellt die Abhängigkeit der elektrischen Stromstärke I von der Potenzialdifferenz bzw. der elektrischen Spannung U dar. Aus ihrem Verlauf können Rückschlüsse über das Verhalten des elektrischen Widerstandes R = U/I des Gerätes gezogen werden.

Vorbereitung:

  1. Baue mit dem zu untersuchenden Bauteil einen einfachen elektrischen Stromkreis auf. Beachte dabei wichtige Nenndaten des zu untersuchenden Bauteils (z.B. Nennspannung, maximal zulässige Stromstärke, ...). Als elektrische Quelle verwende eine Batterie und ein Potenziometer oder ein regelbares Netzgerät.
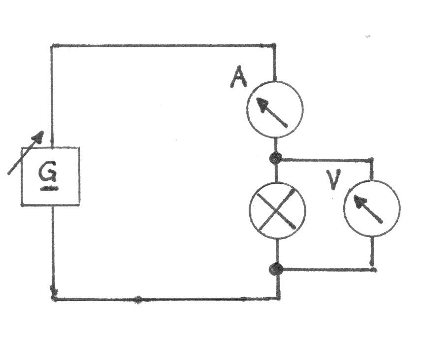
  2. Um die Stärke des durch das Bauteil fließenden Stromes und die am Gerät anliegende Spannung gleichzeitig zu messen, müssen ein Stromstärkemessgerät und ein Spannungsmessgerät in die Schaltung eingefügt werden. Beachte dabei: Stromstärkemessgerät in Reihe zum Gerät schalten, Spannungsmessgerät parallel zum Gerät schalten.

    Schaltskizze:
    (Glühlampe als elektrisches Gerät)

    Schaltplan
  3. Fertige eine Messwerttabelle an! Die dritte Zeile ist nicht unbedingt erforderlich!
    U in ... 0
    I in ...
    U/I in ...

Durchführung:

Variiere am Potenziometer oder am Netzgerät die Spannung und nimm schrittweise eine genügende Anzahl von Messwerten für Spannung und Stromstärke auf. Beginne stets bei 0 V. Insbesondere bei geringen Spannungen kann es sinnvoll sein, eine kleinere Schrittweite zu wählen (z. B. 0,5 V-Schrittweite oder kleiner statt 1,0 V-Schrittweite).

Beobachte dabei auch das Verhalten des Bauteils! (schwaches oder starkes Leuchten, Wärmeentwicklung, ...)

Überschreite nicht die zulässigen Nenndaten des Bauteils!

Beispiel einer Stromstärke- und Spannungsmessung mit analogem Strom- und digitalem Spannungsmessgerät:

Messaufbau konventionell

Digitalmultimeter Analogmultimeter

Beispiel einer Stromstärke- und Spannungsmessung mit Pocket-CASSY und UIP-Sensor:
Messaufbau mit Cassy

Auswertung:

  1. Stelle die Messwerte in einem U-I-Diagramm dar. Trage zunächst nur die Messwerte ein.
  2. Zeichne eine Ausgleichskurve. Sie stellt die gesuchte U-I-Kennlinie dar.
  3. Interpretiere den Verlauf der U-I-Kennlinie und erläutere dabei den Zusammenhang zwischen Spannung und Stromstärke bei diesem Bauteil. Dabei kann es sinnvoll sein, in der Messwerttabelle den Quotienten U/I zu berechnen. Handelt es sich um eine Proportionalität? Beziehe auch die während der Messung gemachten Beobachtungen in die Überlegungen mit ein. Welche Aussagen lassen sich über den Widerstand des Bauteils machen?
U-I-Diagramm

 

Bestimmen von U-I-Kennlinien: Herunterladen [doc] [394 KB]

Messen von Stromstärke und Spannung: Herunterladen [doc] [1,3 MB]